Array 开关型-1-1/2寸不锈钢三通电动阀 -电动球阀,塑料电动球阀,定时排水阀门,防漏水控制器,定时排污阀门,电动阀门,电动执行器|台州通禾流体控制股份有限公司
通禾
产品组图
产品组图
产品组图
产品组图
产品组图
产品组图
产品组图
产品组图
产品组图
产品组图
开关型-1-1/2寸不锈钢三通电动阀
A550-T40-S3-B

1、 外形美观,结构紧凑,精度高输出扭矩大,使用寿命不低于3万次

2、 执行器和阀门可以多角度装配,方便于用户对于空间的分配需求

3、 球阀采用浮动软密封结构

4、 防护等级IP67



产品参数
安装说明
手机查看
技术参数
阀体口径
BSP/NPT 1 1/4” 1 1/2“ 2”
最大工作压力
1.0MPa
介质
水、空气
额定电压
DC12V AC24V DC24V AC220V
接线图
CR201 CR501 CR202 CR502 CR301 CR602 CR303 CR603 4-20mA (可选)
开关时间
≤20S
质保期
开关次数30000次(一年)
阀材质
SS304 SS316(可选)
执行器材质
PPO
输出轴规格
14*14 mm
执行器旋转角度
90°
扭力
50N.m
线长
0.5m 1.5m(可选)
环境温度
-15℃-50℃
液体温度
2℃-90℃
手动功能
开关指示
防护等级
IP67
密封材质
FKM&PTFE
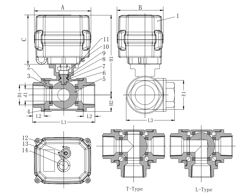
组装图
接线图

CR201(2线控制)

1、红线接通正极,黑线接通负极,阀门关闭,关阀到位后保持;

2、黑线接通正极,红线接通负极,阀门打开,开阀到位后保持;

*电压选配:DC5V,DC12V,DC24V

*不得超过电压工作


CR202(2线控制,断电复位功能)

常闭型

1、红线接正极,黑线接负极;

2、开关闭合,阀门打开,开阀到位后保持;

3、开关断开,阀门关闭,关阀到位后保持;

常开型

1、红线接正极,黑线接负极;

2、开关闭合,阀门关闭,关阀到位后保持;

3、开关断开,阀门打开,开阀到位后保持;

*电压选配:AC/DC9-24V, AC/DC9-35V, AC/DC110V-230V

*不得超过电压工作


CR301(3线控制)

1、红线、绿线接正极,黑线接负极;

2、开关与红线接通,阀门打开,开阀到位后保持;

3、开关与绿线接通,阀门关闭,关阀到位后保持;

*电压选配:DC5V,DC12V,DC24V,DC12-24V,AC/DC110-230V

*不得超过电压工作


CR302(3线控制)

1、红线接正极,黑线、绿线接负极;

2、开关闭合,阀门打开,开阀到位后保持;

3、开关断开,阀门关闭,关阀到位后保持;

4、可选是否断电关阀。

*电压选配:DC9-35V,DC9-60V,AC/DC12-24V

*不得超过电压工作

CR303(3线控制)

1、红线、绿线接正极,黑线接负极;

2、开关闭合,阀门打开,开阀到位后保持;

3、开关断开,阀门关闭,关阀到位后保持;

*电压选配:DC12V,DC24V,DC9-24V,AC/DC9-35V,AC110-230V

*不得超过电压工作


CR306(3线控制,断电复位功能)

常闭型

1、红线、绿线接正极,黑线接负极;

2、开关闭合,阀门关闭,关阀到位后保持;

3、开关断开,阀门打开,开阀到位后保持;

4、断开外部电源后阀门自动关闭

常开型

1、红线、绿线接正极,黑线接负极;

2、开关闭合,阀门打开,开阀到位后保持;

3、开关断开,阀门关闭,关阀到位后保持;

4、断开外部电源后阀门自动打开

*电压选配:AC/DC9-24V,AC110-230V

*不得超过电压工作


CR501(5线控制,带反馈信号)

1、红线接通正极,黑线接通负极,阀门关闭,关阀到位后保持,黄线和白线接通;

2、黑线接通正极,红线接通负极,阀门打开,开阀到位后保持,绿线和白线接通;

*电压选配:DC5V,DC12V,DC24V

*不得超过电压工作

*反馈信号负载能力:0.3A 24VACDC(阻性负载)


CR502  ( 5线控制,断电复位功能,带反馈信号)

常闭型

1、红线接正极,黑线接负极;

2、开关闭合,阀门打开,开阀到位后保持,绿线和白线接通;

3、开关断开,阀门关闭,关阀到位后保持,黄线和白线接通;

常开型

1、红线接正极,黑线接负极;

2、开关闭合,阀门关闭,关阀到位后保持,黄线和白线接通;

3、开关断开,阀门打开,开阀到位后保持,绿线和白线接通;

*电压选配:DC9-35V,DC9-60V,DC12-24V,AC24V , AC110-230V

*不得超过电压工作

*反馈信号负载能力:0.3A 24VACDC(阻性负载)


1.红线接电源正极,黑线接电源负极,

2.绿线接4-20mA信号输入正极,蓝线接4-20mA信号输入负极;

3.白线接4-20mA信号输出正极,蓝线接4-20mA信号输出负极;

4.输入20mA顺时针转,阀门全开;输入4mA逆时针转,阀门全闭;

l电压选配: £ DC12-24V

l不得超过电压工作


CR601  ( 6线控制,带反馈信号 )

1、红线接正极,黑线、绿线接负极;

2、开关闭合,阀门打开,开阀到位后保持,蓝线和白线接通;

3、开关断开,阀门闭合,关阀到位后保持,黄线和白线接通;

*电压选配:AC/DC12-24V,DC9-35V,DC9-60V 

*不得超过电压工作

*反馈信号负载能力:0.3A 24VACDC(阻性负载)


CR602 (6线控制,带反馈信号)

1、红线、绿线接正极,黑线接负极;

2、开关与红线接通,阀门打开,开阀到位后保持,蓝线和白线接通;

3、开关与绿线接通,阀门关闭,关阀到位后保持,黄线和白线接通;

*电压选配:DC5V,DC12V,DC24V,DC12-24V,AC/DC110-230V  

*不得超过电压工作

*反馈信号负载能力:0.3A 24VACDC(阻性负载)


CR603 (6线控制,带反馈信号)

1、红线、绿线接正极,与黑线接负极;

2、开关闭合,阀门打开,开阀到位后保持,蓝线和白线接通;

3、开关断开,阀门闭合,关阀到位后保持,黄线和白线接通;

*电压选配:DC12V,DC24V,DC9-24V,AC/DC9-35V,AC110-230V

*不得超过电压工作

*反馈信号负载能力:0.3A 24VACDC(阻性负载)


CR606(6线控制,断电复位功能,带反馈信号)

常闭型

1、红线、绿线接正极,黑线接负极;

2、开关闭合,阀门关闭,关阀到位后保持,黄线和白线接通;

3、开关断开,阀门打开,开阀到位后保持,蓝线和白线接通;

4、断开外部电源后阀门自动关闭

常开型

1、红线、绿线接正极,黑线接负极。

2、开关闭合,阀门打开,开阀到位后保持,蓝线和白线接通;

3、开关断开,阀门关闭,关阀到位后保持,黄线和白线接通;

4、断开外部电源后阀门自动打开

*电压选配:AC/DC9-24V,AC/DC110-230V 

*不得超过电压工作

*反馈信号负载能力:0.3A 24VACDC(阻性负载)


产品视频
产品资料下载
样品购买申请
提交中
提交成功
提交失败
提交出错
相关产品推荐
© 2015 台州通禾流体控制股份有限公司 浙ICP备13011497号-1 浙ICP备13011497号-2 全案策划:KCCN
客服1
客服2
置顶