Array 开关型-3/4”PPO三通电动阀,带手动-电动球阀,塑料电动球阀,定时排水阀门,防漏水控制器,定时排污阀门,电动阀门,电动执行器|台州通禾流体控制股份有限公司
通禾
产品组图
产品组图
产品组图
产品组图
产品组图
产品组图
产品组图
产品组图
产品组图
产品组图
产品组图
产品组图
产品组图
产品组图
开关型-3/4”PPO三通电动阀,带手动
A20-T20-P3-B

1、 外形美观,结构紧凑,精度高输出扭矩大,使用寿命不低于7万次

2、 执行器和阀门可以多角度装配,方便于用户对于空间的分配需求。

3、 球阀采用浮动软密封结构,无滴漏,适用于重污垢及长期无动作的场合。

4、 防护等级IP67,可在相对潮湿的环境中使用。


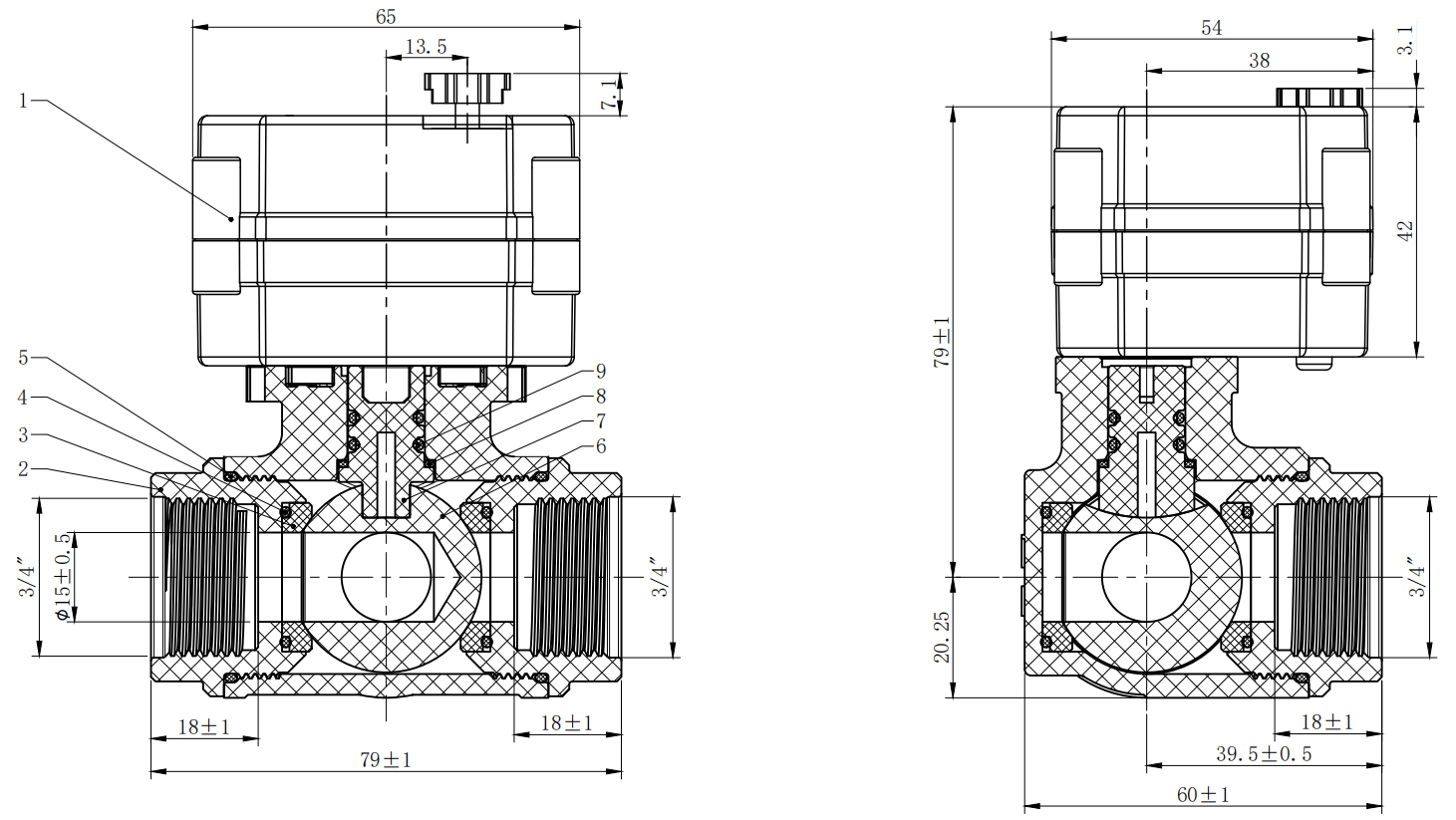
产品参数
安装说明
手机查看
技术参数
口径
BSP/NPT 3/4”
最大工作压力
1.0MPa
介质
水、空气
额定电压
DC5V DC12V DC24V AC/DC9-24V AC/DC110-230V
接线方式
CR201 CR202 CR301 CR302 CR303 CR305 CR306 CR501 CR502 CR702 CR701 CR703 CR705 CR706
工作电流
≤500mA
开关时间
≤8S
寿命
70000次
阀材质
PPO
执行器材质
PPO
执行器旋转角度
90°
扭力
3N.m
线长
0.5M 1.5M
环境温度
-15-50℃
介质温度
2℃-55℃
手动功能
开关指示
防护等级
IP67
组装图
接线图

CR201(2线控制)

1、红线接通正极,黑线接通负极,阀门关闭,关阀到位后保持;

2、黑线接通正极,红线接通负极,阀门打开,开阀到位后保持;

*电压选配:DC5V,DC12V,DC24V

*不得超过电压工作


CR202(2线控制,断电复位功能)

常闭型

1、红线接正极,黑线接负极;

2、开关闭合,阀门打开,开阀到位后保持;

3、开关断开,阀门关闭,关阀到位后保持;

常开型

1、红线接正极,黑线接负极;

2、开关闭合,阀门关闭,关阀到位后保持;

3、开关断开,阀门打开,开阀到位后保持;

*电压选配:AC/DC9-24V, AC/DC9-35V, AC/DC110V-230V

*不得超过电压工作


CR301(3线控制)

1、红线、绿线接正极,黑线接负极;

2、开关与红线接通,阀门打开,开阀到位后保持;

3、开关与绿线接通,阀门关闭,关阀到位后保持;

*电压选配:DC5V,DC12V,DC24V,DC12-24V,AC/DC110-230V

*不得超过电压工作


CR302(3线控制)

1、红线接正极,黑线、绿线接负极;

2、开关闭合,阀门打开,开阀到位后保持;

3、开关断开,阀门关闭,关阀到位后保持;

4、可选是否断电关阀。

*电压选配:DC9-35V,DC9-60V,AC/DC12-24V

*不得超过电压工作

CR303(3线控制)

1、红线、绿线接正极,黑线接负极;

2、开关闭合,阀门打开,开阀到位后保持;

3、开关断开,阀门关闭,关阀到位后保持;

*电压选配:DC12V,DC24V,DC9-24V,AC/DC9-35V,AC110-230V

*不得超过电压工作


CR305(3线控制,断电复位功能)

常闭型

1、红线、绿线接正极,黑线接负极;

2、开关闭合,阀门打开,开阀到位后保持;

3、开关断开,阀门关闭,关阀到位后保持;

4、断开外部电源后阀门自动关闭

常开型

1、红线、绿线接正极,黑线接负极;

2、开关闭合,阀门关闭,关阀到位后保持;

3、开关断开,阀门打开,开阀到位后保持;

4、断开外部电源后阀门自动打开

*电压选配:  AC/DC9-24V,AC110-230V

*不得超过电压工作


CR306(3线控制,断电复位功能)

常闭型

1、红线、绿线接正极,黑线接负极;

2、开关闭合,阀门关闭,关阀到位后保持;

3、开关断开,阀门打开,开阀到位后保持;

4、断开外部电源后阀门自动关闭

常开型

1、红线、绿线接正极,黑线接负极;

2、开关闭合,阀门打开,开阀到位后保持;

3、开关断开,阀门关闭,关阀到位后保持;

4、断开外部电源后阀门自动打开

*电压选配:AC/DC9-24V,AC110-230V

*不得超过电压工作


CR501(5线控制,带反馈信号)

1、红线接通正极,黑线接通负极,阀门关闭,关阀到位后保持,黄线和白线接通;

2、黑线接通正极,红线接通负极,阀门打开,开阀到位后保持,绿线和白线接通;

*电压选配:DC5V,DC12V,DC24V

*不得超过电压工作

*反馈信号负载能力:0.3A 24VACDC(阻性负载)


CR502  ( 5线控制,断电复位功能,带反馈信号)

常闭型

1、红线接正极,黑线接负极;

2、开关闭合,阀门打开,开阀到位后保持,绿线和白线接通;

3、开关断开,阀门关闭,关阀到位后保持,黄线和白线接通;

常开型

1、红线接正极,黑线接负极;

2、开关闭合,阀门关闭,关阀到位后保持,黄线和白线接通;

3、开关断开,阀门打开,开阀到位后保持,绿线和白线接通;

*电压选配:DC9-35V,DC9-60V,DC12-24V,AC24V , AC110-230V

*不得超过电压工作

*反馈信号负载能力:0.3A 24VACDC(阻性负载)


CR702(7线控制,带反馈信号)

1、红线、绿线接正极,黑线接负极;

2、开关与红线接通,阀门打开,开阀到位后保持,蓝线和灰线接通;

3、开关与绿线接通,阀门关闭,关阀到位后保持,黄线和白线接通;

*电压选配:DC5V,DC12V,DC24V,DC12-24V,AC/DC110-230V

*不得超过电压工作

*反馈信号负载能力:0.3A 24VACDC(阻性负载)


CR703(7线控制,带反馈信号)

1、红线、绿线接正极,与黑线接负极;

2、开关闭合,阀门打开,开阀到位后保持,蓝线和灰线接通;

3、开关断开,阀门闭合,关阀到位后保持,黄线和白线接通;

*电压选配:DC12V,DC24V,DC9-24V,AC/DC9-35V,AC110-230V

*不得超过电压工作

*反馈信号负载能力:0.3A 24VACDC(阻性负载)


CR705(7线控制,断电复位功能,带反馈信号)

常闭型

1、红线、绿线接正极,黑线接负极;

2、开关闭合,阀门打开,开阀到位后保持,蓝线和灰线接通;

3、开关断开,阀门关闭,关阀到位后保持,黄线和白线接通;

4、断开外部电源后阀门自动关闭

常开型

1、红线、绿线接正极,黑线接负极;

2、开关闭合,阀门关闭,关阀到位后保持,黄线和白线接通;

3、开关断开,阀门打开,开阀到位后保持,蓝线和灰线接通;

4、断开外部电源后阀门自动打开

*电压选配:AC/DC9-24V,AC110-230V 

*不得超过电压工作

*反馈信号负载能力:0.3A 24VACDC(阻性负载)


CR706(7线控制,断电复位功能,带反馈信号)

常闭型

1、红线、绿线接正极,黑线接负极;

2、开关闭合,阀门关闭,关阀到位后保持,黄线和白线接通;

3、开关断开,阀门打开,开阀到位后保持,蓝线和灰线接通;

4、断开外部电源后阀门自动关闭

常开型

1、红线、绿线接正极,黑线接负极;

2、开关闭合,阀门打开,开阀到位后保持,蓝线和灰线接通;

3、开关断开,阀门关闭,关阀到位后保持,黄线和白线接通;

4、断开外部电源后阀门自动打开

*电压选配:AC/DC9-24V,AC/DC110-230V 

*不得超过电压工作

*反馈信号负载能力:0.3A 24VACDC(阻性负载)


产品视频
样品购买申请
提交中
提交成功
提交失败
提交出错
相关产品推荐
© 2015 台州通禾流体控制股份有限公司 浙ICP备13011497号-1 浙ICP备13011497号-2 全案策划:KCCN
客服1
客服2
置顶