Array 调节型-A150 1/2” 不锈钢两通小平台F03比例调节电动阀 -电动球阀,塑料电动球阀,定时排水阀门,防漏水控制器,定时排污阀门,电动阀门,电动执行器|台州通禾流体控制股份有限公司
通禾
产品组图
产品组图
产品组图
产品组图
产品组图
产品组图
产品组图
产品组图
产品组图
产品组图
产品组图
产品组图
产品组图
产品组图
调节型-A150 1/2” 不锈钢两通小平台F03比例调节电动阀
A150-M15-S2-B 小平台

1、 外形美观,结构紧凑,精度高输出扭矩大,使用寿命不低于7万次

2、 执行器和阀门可以多角度装配,方便于用户对于空间的分配需求。

3、 球阀采用浮动软密封结构,无滴漏,适用于重污垢及长期无动作的场合。

4、 防护等级IP67,可在相对潮湿的环境中使用。



产品参数
安装说明
手机查看
技术参数
阀体口径
BSP/NPT 1/2” 3/4” 1” (可选)
最大工作压力
1.0MPa
介质
水、空气
额定电压
DC12-24V
输入模拟信号
4-20mA 0-5V 0-10V 1-5V 2-10V RS485 (可选)
输出信号
4-20mA 1-5V 0-10V 2-10V (可选)
开关时间
≤12S
工作电流
≤1.5A
阀材质
SS304 SS316(可选)
执行器材质
PPO
密封材质
FKM&PTFE
执行器旋转角度
90°
扭力
15N.m
线长
0.5m 1.5m(可选)
环境温度
-15℃-50℃
液体温度
2℃-90℃
手动功能
开关指示
防护等级
IP67
质保期
开关次数70000次(一年)
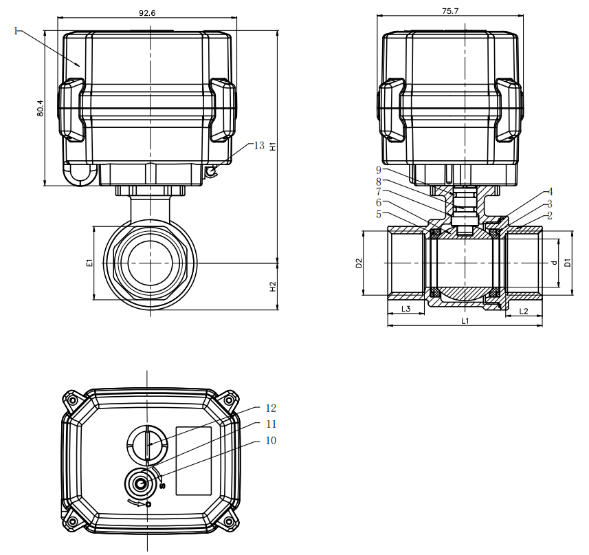
组装图
接线图

1.红线接电源正极,黑线接电源负极,

2.黄线为错误输出具体表现为阀门堵转后黑线和黄线断开,正常情况下黄线和黑线导通

3.绿线接1-5V信号输入正极,蓝线接1-5V信号输入负极;

4.白线接4-20mA信号输出正极,蓝线接4-20mA信号输出负极;

5.5V顺时针转,阀门全开;1V逆时针转,阀门全闭;

电压选配:DC24V

不得超过电压工作


1.红线接电源正极,黑线接电源负极,

2.黄线为错误输出具体表现为阀门堵转后黑线和黄线断开,正常情况下黄线和黑线导通

3.绿线接2-10V信号输入正极,蓝线接2-10V信号输入负极;

4.白线接4-20mA信号输出正极,蓝线接4-20mA信号输出负极;

5.10V顺时针转,阀门全开;2V逆时针转,阀门全闭;

电压选配:DC24V

不得超过电压工作


1.红线接电源正极,黑线接电源负极,

2.黄线为错误输出具体表现为阀门堵转后黑线和黄线断开,正常情况下黄线和黑线导通

3.绿线接1-5V信号输入正极,蓝线接1-5V信号输入负极;

4.白线接1-5V信号输出正极,蓝线接1-5V信号输出负极;

5.5V顺时针转,阀门全开;1V逆时针转,阀门全闭;

电压选配:DC24V

不得超过电压工作


1.红线接电源正极,黑线接电源负极,

2.黄线为错误输出具体表现为阀门堵转后黑线和黄线断开,正常情况下黄线和黑线导通

3.绿线接1-5V信号输入正极,蓝线接1-5V信号输入负极;

4.白线接1-5V信号输出正极,蓝线接1-5V信号输出负极;

5.5V顺时针转,阀门全开;1V逆时针转,阀门全闭;

电压选配:  DC24V

不得超过电压工作


1.红线接电源正极,黑线接电源负极,

2.黄线为错误输出具体表现为阀门堵转后黑线和黄线断开,正常情况下黄线和黑线导通

3.绿线接4-20mA信号输入正极,蓝线接4-20mA信号输入负极;

4.白线接4-20mA信号输出正极,蓝线接4-20mA信号输出负极;

5.20mA顺时针转,阀门全开;4mA逆时针转,阀门全闭;

电压选配:DC12-24V

不得超过电压工作


产品视频
样品购买申请
提交中
提交成功
提交失败
提交出错
相关产品推荐
© 2015 台州通禾流体控制股份有限公司 浙ICP备13011497号-1 浙ICP备13011497号-2 全案策划:KCCN
客服1
客服2
置顶